鋁型材配件
Product accessories
Product accessories
聯系APAS / Contact us
- 地址:天津市西青經濟技術開發區賽達國際工業城A3-2.
- 郵箱:lxc@apas.com.cn
- 電話:022-87920088
- 傳真:請聯系網絡管理員
- 郵編:300385
- 咨詢熱線:13702119190(24小時服務熱線)
鋁型材支撐配件 / Support fittings
產品名稱 / Name
平板活動腳輪
產品描述 / Describe
平板活動腳輪又稱為萬向腳輪,主要適用于工業鋁型材設計搭建的設備框架、物料周轉車、搬運貨架等裝備底部移動支撐,具有多種規格,分別適用于不同承載能力的框架裝備領域;
022-87920088
可以根據需求進行設計加工,提供上門安裝服務;可以根據特殊需求進行鋁型材開模定制。
* 免費提供工業鋁型材選型手冊 →點擊咨詢
|
|
| ? |
|
平板活動腳輪屬于鋁型材搭建設備框架常用的移動支撐配件,主要適用于采用工業鋁型材設計搭建的物料車、貨架、工作臺、檢修平臺等產品領域;平板活動腳輪具有多種規格型號,分別適用于不同承載能力的鋁型材框架結構,選型時需要參照其物理性能、技術參數以及所選用的鋁型材規格型號等技術要求; |
| ? |
![]() ![]()
|
|
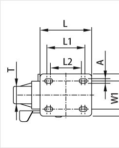
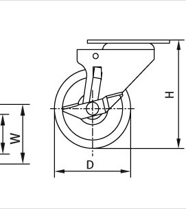
(平板活動腳輪技術參數)
|
| ? |
|
訂貨編號
|
剎車
|
規格
|
顏色
|
D
|
T
|
H
|
L
|
L1
|
L2
|
W
|
W1
|
A
|
載重
|
|
CE-PW50D
|
無
|
2"
|
黑色
|
φ50
|
26
|
74
|
70
|
55
|
55
|
51
|
35
|
8.5
|
50kg
|
|
CE-PW60D
|
無
|
2.5"
|
黑色
|
φ62
|
32
|
80
|
95
|
78
|
71
|
66
|
45
|
8.5
|
80kg
|
|
CE-PW75D
|
無
|
3"
|
黑色
|
φ75
|
32
|
112
|
95
|
78
|
71
|
66
|
45
|
8.5
|
112kg
|
|
CE-PW100D
|
無
|
4"
|
黑色
|
φ100
|
32
|
135
|
95
|
78
|
71
|
66
|
45
|
8.5
|
135kg
|
|
CE-PW125D
|
無
|
5"
|
黑色
|
φ125
|
32
|
152
|
95
|
78
|
71
|
66
|
45
|
8.5
|
152kg
|
|
注:以上表格中尺寸單位為毫米;
|
|||||||||||||
| ? |
|
平板活動腳輪用于工業鋁型材搭建的設備框架、物料周轉車、移動貨架等設備框架底部移動支撐作用,可以實現框架裝備任意方向移動運輸功能;平板活動腳輪與工業鋁型材框架連接組裝需要搭配專用腳輪連接板配合緊固連接件實現快速組裝,操作便捷簡單,屬于較為常用的移動支撐配件; |
聯系APAS/ Contact us
天津艾普斯工業鋁型材股份有限公司
聯系電話:022-87920088
企業傳真:(避免惡意廣告)請聯系該企業網絡管理員
服務熱線:13702119190 (24小時服務熱線)
Q Q:534973906
企業郵箱: lxc@apas.com.cn
企業地址:天津市西青經濟技術開發區賽達國際工業城A3-2
聯系電話:022-87920088
企業傳真:(避免惡意廣告)請聯系該企業網絡管理員
服務熱線:13702119190 (24小時服務熱線)
Q Q:534973906
企業郵箱: lxc@apas.com.cn
企業地址:天津市西青經濟技術開發區賽達國際工業城A3-2
采購意向留言:* 為必填















QQ咨詢
電話聯系
聯系電話

在線留言
樣冊下載
