工業鋁型材
Aluminum profile
Aluminum profile
聯系APAS / Contact us
- 地址:天津市西青經濟技術開發區賽達國際工業城A3-2.
- 郵箱:lxc@apas.com.cn
- 電話:022-87920088
- 傳真:請聯系網絡管理員
- 郵編:300385
- 咨詢熱線:13702119190(24小時服務熱線)
20系列鋁型材 / Aluminum profile
產品名稱 / Name
2020-2N90工業鋁型材
產品描述 / Describe
2020-2N90鋁型材尺寸為20×20mm,2N90表示型材直角邊兩側無凹槽設計,組裝后可以實現框架外側效果平整,而內側凹槽可以與其它型材連接,實現各種框架結構的組裝;
022-87920088
可以根據需求進行設計加工,提供上門安裝服務;可以根據特殊需求進行鋁型材開模定制。
* 免費提供工業鋁型材選型手冊 →點擊咨詢
|
|
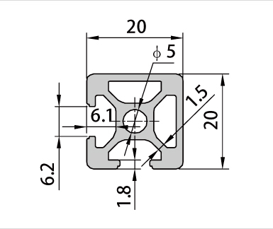
| 我們可以先將2020-2N90鋁型材截面圖劃分成兩個直角邊,一側有凹槽設計,另一側比較平整,安裝時可以將平整面展現于框架外側,以保證框架外側效果平滑美觀,便于清理維護,而內側凹槽可以用于框架的連接組裝,這樣既不影響組裝,還可以實現框架外側平整; |
![]() ![]()
|
|
2020-2N90工業鋁型材截面圖(二維參數)
|
|
規格型號
|
材質
|
單位重量
|
慣性矩
|
慣性矩
|
彎矩
|
彎矩
|
訂貨編號
|
|
Profile
|
Material
|
Weight
|
Ix(cm4)
|
Iy(cm4)
|
Wx(cm3)
|
Wy(cm3)
|
Order NO.
|
|
20×20-2N90
|
鋁AL(6063-T5)
|
0.51kg/m
|
0.792
|
0.785
|
0.824
|
0.757
|
APAS-P6-2020-2N90
|
| 2020-2N90鋁型材尺寸為20mm×20mm,槽寬為6.2mm,可以與20系列型材配合使用;型材中心孔為6.1mm,安裝前需要進行攻絲處理(推薦攻絲尺寸M8),然后利用專用配件進行連接即可; |
|
2020-2N90鋁型材應用前需要先了解2N90型材的產品特點,然后才可以靈活的應用于框架的設計與組裝;2N90型材凹槽設計于直角邊兩側,而且其中一個直角邊兩側沒有凹槽,不能與其它型材連接,為了不影響安裝,2N90型材只能應用于框架邊緣的轉角部位,安裝后框架外側可以保持平整,以便于后期的清理維護; |
聯系APAS/ Contact us
天津艾普斯工業鋁型材股份有限公司
聯系電話:022-87920088
企業傳真:(避免惡意廣告)請聯系該企業網絡管理員
服務熱線:13702119190 (24小時服務熱線)
Q Q:534973906
企業郵箱: lxc@apas.com.cn
企業地址:天津市西青經濟技術開發區賽達國際工業城A3-2
聯系電話:022-87920088
企業傳真:(避免惡意廣告)請聯系該企業網絡管理員
服務熱線:13702119190 (24小時服務熱線)
Q Q:534973906
企業郵箱: lxc@apas.com.cn
企業地址:天津市西青經濟技術開發區賽達國際工業城A3-2
采購意向留言:* 為必填







.jpg)

.jpg)



.jpg)

QQ咨詢
電話聯系
聯系電話

在線留言
樣冊下載
