連接件模型
Connector Model
Connector Model
聯系APAS / Contact us
- 地址:天津市西青經濟技術開發區賽達國際工業城A3-2.
- 郵箱:lxc@apas.com.cn
- 電話:022-87920088
- 傳真:請聯系網絡管理員
- 郵編:300385
- 咨詢熱線:13702119190(24小時服務熱線)
連接件模型
/ Connector Model

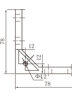
30系列(單槽)鋁型材強力角件3d模型
產品描述 / Name
L7878-3026規格鋁型材強力角碼適用于30系列(單槽)鋁型材框架緊固連接,起固定支撐作用,連接強度高;可以下載強力型材角碼SLDWORKS三維模型進行鋁型材框架的設計組裝;
022-87920099
可以根據需求進行設計加工,提供上門安裝服務;可以根據特殊需求進行鋁型材開模定制。
* 免費提供工業鋁型材選型手冊 →點擊咨詢
內容來源:http://www.qdhlwj.com.cn 作者:武將 發布日期:2020年04月14日 10時19分 閱讀次數:3156 次
| L7878-3026規格鋁型材角碼屬于30系列鋁型材強力連接配件之一,連接件每側具有兩個安裝工藝孔,可以搭配T型螺栓以及法蘭螺母配合使用,連接強度高、不易松動,是較為常用的鋁型材配件之一; |
![]() ![]()
|
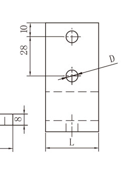
| L7878-3026規格鋁型材角碼是采用6063-T5系列鋁延壓型材進行切割定制,表面經過噴砂-陽極氧化處理,很大程度上增強了型材角碼的抗氧化耐腐蝕能力;該規格型材角碼適用于30系列單槽鋁型材之間的固定連接,起固定支撐作用;應用較為靈活,可以根據不同的使用需求進行切割,最大長度為6m,兩側有工藝孔加工標線,可以進行工藝孔加工處理,用于組裝連接; |
|
適用型材規格
|
L(mm)
|
D(mm)
|
材質
|
訂貨編號
|
|
30*
|
26
|
φ6.5/φ8.5
|
6063-T5
|
CE-L7878-3026
|
聯系APAS/ Contact us
天津艾普斯工業鋁型材股份有限公司
聯系電話:022-87920088
企業傳真:(避免惡意廣告)請聯系該企業網絡管理員
服務熱線:13702119190 (24小時服務熱線)
Q Q:534973906
企業郵箱: lxc@apas.com.cn
企業地址:天津市西青經濟技術開發區賽達國際工業城A3-2
聯系電話:022-87920088
企業傳真:(避免惡意廣告)請聯系該企業網絡管理員
服務熱線:13702119190 (24小時服務熱線)
Q Q:534973906
企業郵箱: lxc@apas.com.cn
企業地址:天津市西青經濟技術開發區賽達國際工業城A3-2
采購意向留言:* 為必填














-02工廠車間工作臺主圖.jpg)
QQ咨詢
電話聯系
聯系電話

在線留言
樣冊下載
