連接件模型
Connector Model
Connector Model
聯系APAS / Contact us
- 地址:天津市西青經濟技術開發區賽達國際工業城A3-2.
- 郵箱:lxc@apas.com.cn
- 電話:022-87920088
- 傳真:請聯系網絡管理員
- 郵編:300385
- 咨詢熱線:13702119190(24小時服務熱線)
連接件模型
/ Connector Model

30系列鋁型材滑塊螺母3d(數模)模型
產品描述 / Name
3030規格鋁型材滑塊螺母是組裝鋁型材框架較為常用的緊固連接配件之一,可以下載相應規格滑塊螺母SLDWORKS三維模型進行鋁型材框架的設計組裝;
022-87920099
可以根據需求進行設計加工,提供上門安裝服務;可以根據特殊需求進行鋁型材開模定制。
* 免費提供工業鋁型材選型手冊 →點擊咨詢
內容來源:http://www.qdhlwj.com.cn 作者:武將 發布日期:2020年04月01日 10時21分 閱讀次數:2829 次
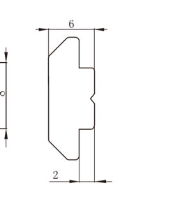
| 30系列鋁型材方形螺母又稱為滑塊螺母,屬于緊固連接配件的一種,是組裝鋁型材框架常用連接配件之一;方形螺母裝配前需要預先置入型材槽內,然后滑動至安裝點鎖緊即可;30系列滑塊螺母以及40系列滑塊螺母適用于槽8規格鋁型材,但30系列與40系列不能跨規格使用,其差別在于螺母厚度不同; |
![]() ![]()
|
| 30系列鋁型材方形螺母具有四種規格,四種規格螺母中心螺紋孔尺寸不同,分別適用于不同規格型號的緊固螺栓;方形螺母屬于碳鋼材料,表面經過鍍鋅或鍍鎳處理,增強了螺母的耐腐蝕能力; |
|
槽型規格
|
螺紋
|
材質
|
訂貨編號
|
|
槽8
|
M4
|
碳鋼(鍍鋅或鍍鎳)
|
CE-SN4-8-30
|
|
槽8
|
M5
|
碳鋼(鍍鋅或鍍鎳)
|
CE-SN5-8-30
|
|
槽8
|
M6
|
碳鋼(鍍鋅或鍍鎳)
|
CE-SN6-8-30
|
|
槽8
|
M8
|
碳鋼(鍍鋅或鍍鎳)
|
CE-SN8-8-30
|
聯系APAS/ Contact us
天津艾普斯工業鋁型材股份有限公司
聯系電話:022-87920088
企業傳真:(避免惡意廣告)請聯系該企業網絡管理員
服務熱線:13702119190 (24小時服務熱線)
Q Q:534973906
企業郵箱: lxc@apas.com.cn
企業地址:天津市西青經濟技術開發區賽達國際工業城A3-2
聯系電話:022-87920088
企業傳真:(避免惡意廣告)請聯系該企業網絡管理員
服務熱線:13702119190 (24小時服務熱線)
Q Q:534973906
企業郵箱: lxc@apas.com.cn
企業地址:天津市西青經濟技術開發區賽達國際工業城A3-2
采購意向留言:* 為必填















QQ咨詢
電話聯系
聯系電話

在線留言
樣冊下載
