連接件模型
Connector Model
Connector Model
聯系APAS / Contact us
- 地址:天津市西青經濟技術開發區賽達國際工業城A3-2.
- 郵箱:lxc@apas.com.cn
- 電話:022-87920088
- 傳真:請聯系網絡管理員
- 郵編:300385
- 咨詢熱線:13702119190(24小時服務熱線)
連接件模型
/ Connector Model

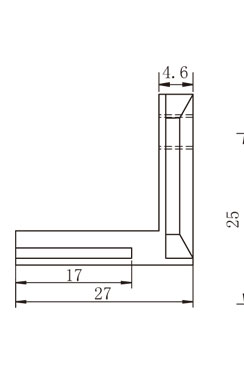
20系列鋁型材角槽連接件模型
產品描述 / Name
角槽連接件主要用于兩支鋁型材90度直角連接,設計師可以下載鋁型材角槽連接件三維模型(SolidWorks模型)進行輕型鋁型材框架的設計搭建,可實現快速組裝;
022-87920099
可以根據需求進行設計加工,提供上門安裝服務;可以根據特殊需求進行鋁型材開模定制。
* 免費提供工業鋁型材選型手冊 →點擊咨詢
內容來源:http://www.qdhlwj.com.cn 作者:武將 發布日期:2019年09月23日 09時16分 閱讀次數:4073 次
| 角槽連接件是一種便捷的鋁型材直角連接件,可以輕松將兩支20系列鋁型材進行90度直角固定連接,不需要進行特殊的加工處理,只需要將角槽連接件分別置入兩支鋁型材端部型材槽內,然后利用頂絲鎖緊即可; |
| ? |
![]() ![]()
|
| ? |
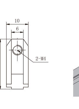
| 角槽連接件分為多種規格,分別適用于不同規格的鋁型材,其規格分類主要是根據型材槽寬及深度來確定; |
| ? |
|
槽型規格
|
螺紋
|
材質
|
訂貨編號
|
|
槽6
|
M4
|
碳鋼
|
CE-IB2527-M4-6-20
|
?
聯系APAS/ Contact us
天津艾普斯工業鋁型材股份有限公司
聯系電話:022-87920088
企業傳真:(避免惡意廣告)請聯系該企業網絡管理員
服務熱線:13702119190 (24小時服務熱線)
Q Q:534973906
企業郵箱: lxc@apas.com.cn
企業地址:天津市西青經濟技術開發區賽達國際工業城A3-2
聯系電話:022-87920088
企業傳真:(避免惡意廣告)請聯系該企業網絡管理員
服務熱線:13702119190 (24小時服務熱線)
Q Q:534973906
企業郵箱: lxc@apas.com.cn
企業地址:天津市西青經濟技術開發區賽達國際工業城A3-2
采購意向留言:* 為必填















QQ咨詢
電話聯系
聯系電話

在線留言
樣冊下載
